نصب آیفون تصویری سوزوکی به همراه نقشه سیم کشی

نصب آیفون تصویری سوزوکی از جمله کارهایی است که با کمی دقت و دانش به راحتی امکانپذیر است. رعایت چند نکته مهم در زمان نصب آیفون تصویری از اهمیت خاصی برخوردار است که در ادامه این مقاله به ذکر آنها میپردازیم. نصب آیفون تصویری سوزوکی شاید در نگاه اول سخت و تخصصی باشد اما اگر در برقکاری سررشته داشته باشید با رعایت نکات ایمنی بهراحتی میتوانید از عهده این کار برآیید. قبل از نصب باید درباره نقشه نصب و دکمههای آیفون تصویری سوزوکی اطلاعاتی جامع داشته باشید.
در ادامه این مقاله قبل از آشنایی با نحوه نصب آیفون تصویری سوزوکی درباره تاریخچه شرکت سوزوکی و محصولات آن صحبت خواهیم کرد.
دربارهی شرکت سوزوکی
شرکت سوزوکی از جمله شرکتهای پیشرو در صنایع لوازم خانگی و سیستمهای امنیتی در خاورمیانه به شمار میرود. عمده فعالیتهای این شرکت از سال 2010 شروع شده و هدف اصلی از تولیدات خود را روی هزینه کمتر و کیفیت بالاتر متمرکز ساخته است. سوزوکی از چند شرکت مختلف در زمینههای تجهیزات صنعتی، پتروشیمی، لوازم الکترونیکی اتومبیل و فناوری اطلاعات تشکیل شده است. بهکارگیری صنعتگران بومی و تولید محصولات با کیفیت بالا این شرکت را به برندی ممتاز تبدیل کرده است.

درخواست نصب و تعمیر آیفون صوتی و تصویری
آشنایی با دکمههای آیفون تصویری سوزوکی
بعد از آشنایی کلی با شرکت سوزوکی برای اطلاع از چگونگی نصب آیفون تصویری سوزوکی باید اطلاعات کاملی درباره جزئیات این محصول داشته باشیم. شناخت دکمههای آیفون تصویری سوزوکی و نحوه عملکرد آنها از جمله این موارد مهم است.

در صفحه مانیتور آیفون تصویری سوزوکی در سمت راست سه کلید اصلی را میبینیم که از بالا به پایین به شرح زیر هستند:
- کلید برای مشاهده تصویر: این کلید زمانی کاربرد دارد که نمیخواهید درب منزل را باز کنید اما کنجکاو هستید بیرون و اطراف درب ورودی منزلتان را چک کنید.
- کلید ذخیره کردن اطلاعات: عملکرد این کلید، ذخیره کردن تصاویر در زمان گفتگو است و ساعات زنگ خوردن و تصاویر افرادی که زنگ زده اند را نیز ذخیره میکند.
- کلید باز کردن در: این کلید را میتوان از مهمترین دکمههای آیفون تصویری سوزوکی دانست. بعد از این که صدای زنگ را شنیدید و تصویر را چک کردید با فشار دادن این دکمه درب منزل شما باز میشود.
چند کلید دیگر هم در کنار مانیتور قرار دارند که میتوانید منوی آیفون را با کمک آنها تنظیم کنید. این کلیدها وظیفه بالا و پایین بردن منو، ورود یا اینتر و بازگشت به منوی قبل را بر عهده دارند.
نحوه راهاندازی و نصب آیفون تصویری سوزوکی دو طبقه
بعد از آشنایی با دکمههای آیفون تصویری سوزوکی به سراغ روش نصب این مدل آیفون میرویم. برای نصب آیفون تصویری سوزوکی دو طبقه 6 مرحله مهم را باید در نظر بگیرید. مرحله اول شناخت دقیق نوع آیفونی است که خریداری کردهاید. مرحله دوم آشنایی با نوع سیم کشی است که در ساختمان اعمال شده است. مرحله سوم انجام دقیق مراحل نصب و راهاندازی آیفون تصویری دو طبقه است. مرحله چهارم به چگونگی نصب پنل بیرونی آیفون تصویری درب منزل مربوط میشود.
مرحله پنجم مربوط به برقکاری است و مراحل اتصال برق به مدارهای داخلی سیستم آیفون را مشخص میکند. آخرین مرحله هم به تست نهایی عملکرد آیفون بعد از نصب منتهی خواهد شد.

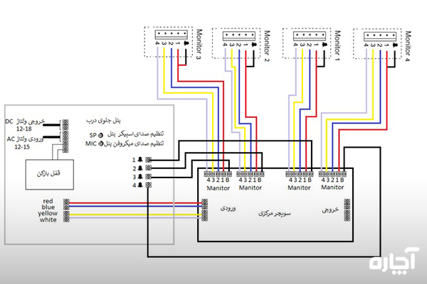
یک رشته سیم 5 عددی وظیفه اصلی انتقال صدا و تصویر و همچنین جریان برق را در نمایشگر آیفون تصویری سوزوکی بر عهده دارند. هر یک از این 4 سیم در نصب آیفون تصویری سوزوکی وظیفه مشخصی دارند و با رنگی خاص از هم متمایز شدهاند.
رنگ بندی این سیمها به صورت قرمز، آبی، زرد، سفید و مشکی بوده و عملکرد آنها به شرح زیر است.
- سیم قرمز: وظیفه سیم قرمز انتقال صدا یا Voice در زمان نصب آیفون تصویری سوزوکی دو طبقه است.
- سیم آبی: سیم آبی رنگ به عنوان منفی ولتاژ 14 ولت در پروسه سیم کشی برای نمایشگر در داخل منزل بکار میرود.
- سیم زرد: سیم زرد رنگ نقش مثبت ولتاژ 14 ولت را در سیستم آیفون تصویری رنگی بر عهده دارد.
- سیم سفید: وظیفه سیم سفید انتقال تصویر در سیستم آیفون تصویری است.
- سیم مشکی: رنگ مشکی در سیمهای آیفون تصویری مربوط به تحریک صدای زنگ میشود.
طریقه نصب آیفون تصویری سوزوکی دو طبقه
در پروسه نصب آیفون تصویری بسته به تعداد واحدها و طبقهها از یک سوئیچر استفاده میشود. سوئیچرها در مدلهای 2، 4، 6، 8 و 10 بوده و افراد بر حسب تعداد طبقات ساختمان مورد نظر و تعداد واحدها مدل مناسب را انتخاب میکنند.
فرض کنید ساختمان شما دو طبقه و چهار واحدی است. برای نصب آیفون به سوئیچر 4 نیاز دارید. در ادامه نقشه نصب آیفون تصویری سوزوکی دو طبقه را خواهیم دید.
محاسبه رایگان هزینه نصب آیفون تصویری!

همانطور که پیش از این گفتیم 5 رشته سیم با رنگ بندی مختلف از منبع پنل آیفون تصویری به مانیتور آیفون تصویری متصل میشوند. وظیفه این سیمها انتقال صدا و تصویر و باز کردن درب ورودی است. همچنین این مجموع سیمها جریان برق را از طریق یک ترانس 12 آمپری به پنل بیرونی درب منزل شما وصل میکنند.
در اتصال این سیمها به نمایشگر داخل خانه، برای قسمت قفل از خروجی AC مربوط به ترانس و برای برق پنل از خروجی DC استفاده میشود. از خروجی AC مربوط به ترانس دو سیم را به پشت پنل آیفون منتقل میکنیم. این کار برای اتصال قفل و افزایش امنیت درب ورودی خواهد بود. یکی از این سیمها به سیم مربوط به در باز کن در پشت پنل متصل میشود و سیم دوم را به مجموعه سیم دو رشتهای پشت قفل وصل میکنیم. دو رشته سیم را هم از قفل به پشت پنل آیفون میفرستیم و یک رشته سیم را هم به سیمی که از ترانس آمده متصل میکنیم.
نکته مهم این است که سیم آورده شده از ترانس به سمت قفل را هم میتوان بهصورت مستقیم و هم غیر مستقیم وارد قفل کرد.
دانلود دفترچه راهنمای آیفون تصویری سوزوکی
دانلود دفترچه راهنمای ECO720m دانلود دفترچه راهنمای پنل تصویری هیتوشی دفترچه راهنمای آیفون سوزوکی سری سان دانلود دفترچه راهنمای مدل SZ-413IM دانلود دفترچه راهنمای آیفون تصویری مدل SZ-413IM دانلود دفترچه راهنمای مدل SZ-415IM دانلود دفترچه راهنمای مدل SZ-425IM دانلود دفترچه راهنمای مدل SZ-725-M دانلود دفترچه راهنمای مدل SZ-727تعمیر آیفون تصویری سوزوکی + قطعات داخلی و مشخصات فنی
امروزه تقریباً همهی ساختمانها مجهز به آیفونهای تصویری هستند و کمتر پیش میآید کسی از آیفونهای صوتی استفاده کند. یکی از برندهای پرطرفدار و محبوب آیفونهای تصویری موجود در ایران، آیفون تصویری سوزوکی است. این آیفون هم مانند تمامی آیفونها و لوازمهای الکتریکی دیگر ممکن است دچار مشکلات و عیوبی باشد. به همین جهت قصد داریم تا در این مقاله مشکلات و نحوه تعمیر آیفون تصویری سوزوکی را توضیح دهیم پس تا انتهابا ما همراه باشید.
شناخت قطعات آیفون تصویری سوزوکی


مشخصات فنی انواع آیفون تصویری سوزوکی
در ادامه مشخصات فنی چند مدل از آیفونهای تصویری سوزوکی بیان شده است که راهنمای شما در تعمیر آیفونهای این برند است.
1. مشخصات فنی دربازکن تصویری سوزوکی مدل SZ413I (m)

2. مشخصات فنی دربازکن تصویری سوزوکی مدل SZ415I(M)

3. مشخصات فنی دربازکن تصویری سوزوکی مدل SZ-425 (M)
محاسبه رایگان هزینه تعمیر آیفون تصویری!
مشکلات رایج، عیبیابی و تعمیر آیفون تصویری سوزوکی
در این بخش به بررسی رایجترین مشکلات آیفون تصویری سوزوکی خواهیم پرداخت تا هنگام تعمیر آن با چالشهای کمتری روبه رو شوید. اگر علاقمندید درباره نصب آیفون تصویری سوزوکی به همراه نقشه سیم کشی بدانید میتوانید این مقاله را نیز مظالعه کنید.

عدم نمایش تصویر
گاهی اوقات ممکن است تمام بخشهای آیفون مانند درب باز کن، زنگ و انتقال صدای دستگاه به درستی کار کند، اما تصویری نشان ندهد. در این صورت میتوان گفت که برای تعمیر آیفون تصویری سوزوکی باید به سراغ بخش سیم کشی آیفون بروید و درستی اتصال سیم آبی و سفید که سیم منفی و انتقال دهنده آیفون هستند را بررسی کنید.
قطعی صدای زنگ آیفون
قطعی صدای زنگ آیفون سوزوکی میتواند چند دلیل داشته باشد که در ادامه به بررسی آنها خواهیم پرداخت:
1. سیم کشی آیفون
در صورتی که مشکل از سیم کشی باشد، برای تعمیر آیفون تصویری سوزوکی باید سیم کشی آیفون را بررسی کنید و در صورت وجود مشکل، قطعی اتصال سیمها را رفع کنید.
2. اختلال در بلندگوی آیفون
ممکن است قطعی صدای زنگ آیفون به دلیل سوختن بلندگو باشد. برای رفع مشکل باید بلندگو را عوض کنید، ولی اگر قابل تعمیر باشد میتوانید بلندگو را تعمیر کنید.
3. خرابی برد آیفون
در صورتی که قطعی زنگ آیفون به دلیل خرابی برد آیفون باشد، باید از یک متخصص بخواهید آن را بررسی کند و در صورت امکان آن را تعمیر و یا تعویض کند.
آبی شدن تصویر صفحه آیفون تصویری سوزوکی
آبی شدن صفحه تصویر مانیتور میتواند دلایل مختلفی داشته باشد. این دلایل عبارتاند از:
1. خراب شدن یا سوختن دوربین پنل
یکی از دلایلی که میتواند موجب آبی شدن تصویر آیفون شود، صدمه دیدن یا خراب شدن دوربین آیفون است. معمولاً وقتی دوربین گیرنده دچار خرابی یا شکستگی شود، تصویر آبی میشود. در صورتی که دوربین آیفون خراب باشد، صفحه مانیتور تمام طبقات آبی میشود.

2. خرابی مانیتور آیفون
در صورتی که مطمئن شدید دوربین دستگاه سالم است، ممکن است که مشکل از مانیتور آیفون باشد و باید آن را عوض کنید. برای تعویض مانیتور، از یک فرد متخصص کمک بخواهید.
3. خرابی LCD
وظیفه LCD تبدیل سیگنالها به تصویر است. در نتیجه بروز هر نوع مشکلی در LCD باعث ایجاد اختلال در تصویر میشود.
4. سیم کشی
وظیفه انتقال تصویر بر عهده سیم سفید یا سیم شماره 4 است. در صورتی که این سیم دچار مشکل شود، انتقال تصویر با مشکل روبرو میشود و احتمال دارد تصویر صفحه آبی رنگ شود. در صورتی که سیمهای جریان منفی و انتقال تصویر یا همان سیمهای شماره 2 و 4 دچار قطعی یا اتصال شوند، تصویر آیفون آبی میشود. در این صورت یا باید درستی اتصال سیمها را با دستگاه بازر بررسی کنید و یا یک سر هر کدام از این دو سیم را به هم بتابانید، میزان اهم آنها توسط دستگاه اهممتر مشخص میشود.
اگر فقط سیم شماره 2 قطع باشد و سیم 4 مشکلی نداشته باشد، تصویر آبی نمیشود و فقط در تصویر نویز و پرش ایجاد میشود. در این صورت با استفاده از بازر سیمها را بررسی کنید تا سیم قطع شده را پیدا کنید.
5. خرابی برد صدا یا تصویر
یکی دیگر از دلایل آبی شدن صفحه مانیتور میتواند خرابی برد صدا و تصویر باشد. بررسی این مورد را میتوان با اتصال کوتاه سیم شماره 4 با سیم مثبت تصویر در سوکت سه سیم زرد رنگ در برد، متوجه شد. در این حالت اگر تصویر درست شد نشان دهنده این است که برد صدا سالم است ولی اگر درست نشد، برد صدا سالم هست.
برای بررسی برد تصویر، در قدم اول باید ولتاژ ورودی به برد تصویر را بررسی کنید. در صورتی که مشکل از ولتاژ ورودی نباشد، باید 3 عدد خازن تعبیه شده روی برد تصویر را بررسی کنید. برای تست خازن باید از یک مولتی متر دارای قابلیت تست خازن استفاده کنید و به دو سر خازن ولتاژ بفرستید و ظرفیت خازن را مشخص کنید. اگر هر یک از خازنها خراب باشد، یا تصویر آیفون چشمک میزند و یا صفحه تصویر آیفون آبی میشود.
درخواست نصب و تعمیر آیفون صوتی و تصویری
سوت کشیدن آیفون تصویری سوزوکی
برای تعمیر آیفون تصویری سوزوکی و رفع مشکل سوت کشیدن آن باید به چندین مورد توجه داشته باشید که در ادامه به آنها اشاره خواهیم کرد.
1. وجود اشکال در میکروفون آیفون
اگر مشکل از میکروفون آیفون باشد، باشد آن را تعمیر یا تعویض کنید.
2. مشکل در برد صوتی آیفون
در صورتی که برد صوتی آیفون مشکل پیدا کند، از آیفون صدای سوت شنیده میشود. در صورتی که بعد از بررسیهای برد صوت، از خراب شدن آن اطمینان پیدا کردید باید برای تعمیر و یا تعویض آن اقدام نمایید.

3. وجود جسم فلزی در نزدیکی و یا درون میکروفون
ممکن است صدای سوت آیفون بر اثر قرارگیری یک جسم فلزی در نزدیکی میکروفون آیفون باشد. اگر علت سوت کشیدن آیفون همین موضوع باشد، باید پنل آیفون را باز کنید و در صورت وجود جسمی فلزی در مقابل یا نزدیکی میکروفون، آن را از میکروفون دور کنید تا صدای سوت قطع شود.
4. خراب شدن سیمها
در صورت وجود مشکل در سیم کشی آیفون، باید اقدام به تعویض سیمها نمایید. توجه داشته باشید که تعویض سیمها کاری پر هزینه و زمان بر است.
برطرف کردن صدای نویز
دلایل ایجاد نویز در آیفون تصویری سوزوکی عبارتاند از:
- استفاده از سیم بدون فویل در سیم کشی
- عدم استفاده از شیلد کابل
- عدم سربندی مناسب دو سیم مرتبط با صدا
اختلالات ناشی از قطعی سیمها در آیفون تصویری سوزوکی
- نداشتن صدا: قطعی سیم قرمز یا سیم انتقال صدا
- نداشتن صدا و تصویر در ساختمان تک واحدی: قطعی سیم آبی رنگ یا سیم منفی
- اختلال در صدا، تصویر و کار نکردن دکمه درب بازکن: قطعی سیم زرد یا سیم جریان مثبت آیفون
- عدم وجود تصویر: قطعی سیم سفید یا سیم انتقال دهنده تصویر است
زنگ نخوردن آیفون
قطعی سیم مشکی
محاسبه رایگان هزینه تعمیر آیفون تصویری!
تعمیر آیفون تصویری سوزوکی و مشکلات ناشی از اتصالی سیمها
قبل از هر چیز برای تعمیر آیفون تصویری سوزوکی باید سیمهای آیفون را بشناسیم.
- سیم قرمز: انتقال صدا
- سیم آبی: جریان منفی
- سیم زرد: جریان مثبت
- سیم سفید: انتقال تصویر
1. زنگ نخوردن آیفونهای مدل 413I و 415I
اتصالی دو سیم مشکی رنگ و قرمز رنگ
2. یکسره زنگ خوردن آیفون
اتصالی دو سیم مشکی و آبی. اگر بعد از یک بار زنگ خوردن آیفون و یا بررسی تصویر این مشکل پیش بیاید، یعنی سیم مشکی و سفید اتصالی کردهاند.
3. زنگ نخوردن آیفون
اتصالی سیمهای مشکی و زرد
4. دلیل دائم زنگ خوردن آیفون بعد از مانیتورینگ
اتصالی سیم قرمز با آبی
5. اتصالی سیم زرد و سفید
در صورت وقوع این مشکل، تصویر وجود ندارد و پس از لحظاتی دوربین و نمایشگر TFT LED خواهد سوخت.
6. اتصالی سیم آبی با سفید
موجب سوختن دوربین میشود.
7. اتصالی سیم آبی و زرد
در این حالت برد صوت مانیتور میسوزد و پنل بیرونی آیفون دائماً روشن میماند.
8. اتصالی سیم قرمز و زرد
درب باز کن بعد از زنگ خوردن یا مانیتورینگ، یکسره میشود.
9. اتصالی سیم قرمز و سفید
اگر هم تصویر و هم صدا دچار نویز شدید میشوند.
10. تعمیر قطعه هوک
وظیفه هوک یا میکروسوییچ، انتقال صدا و تصویر است. پس اگر صدا خوب شنیده نمیشود و یا تصویر نویز دارد، ممکن است مشکل از هوک باشد. در آیفونهای تصویری سوزوکی از 2 مدل هوک استفاده میشود که یک نوع آن کمتر دچار مشکل میشود و برای شست و شوی آن باید از اسپریهای نوع خشک ناهید استفاده کنید. هوک نوع دوم بیشتر دچار اتصال میشود و اول باید آن را با اسپری ناهید شستوشو دهید و در صورت برطرف نشدن ایراد باید آن را تعویض کنید.
تعمیر رگولاتور آیفون تصویری
وظیفه رگلاتور تأمین نیرو برای اتصال تصویر است و در صورتی که تصویر آیفون دچار ایراد شده است، باید این قطعه را بررسی کنید.
تعمیر برد تصویر آیفون تصویری سوزوکی
معمولاً این قطعه قابل تعمیر نیست و باید تعویض شود.
تعمیر برد کیبورد
برای بررسی سلامت برد کیبورد به یک مولتی متر نیاز دارید. اگر مشکل از شستیهای کیبورد باشد، میتوانید آن را تعویض کنید. اگر برد دچار مشکل شده باشد، میتوانید برد را تعویض کنید.

تعمیر برد تغذیه
برد تغذیه قطعهای ضروری برای راهاندازی هر وسیله الکترونیکی است و وظیفه این قطعه تأمین ولتاژ 14 ولت موردنیاز برای راهاندازی آیفون است.

نشانههای خرابی برد تغذیه مانیتور پرش تصویر
- اختلال در صدا
- پرش تصویر
- خاموش شدن مانیتور
- چشمک زدن چراغ روی مانیتور آیفون
- زنگ نخوردن و یا نامفهوم بودن صدا
- شنیدن صدای تقتق
ابتدا از برقراری برق ورودی به قطعات مطمئن شوید. برای این کار باید با مولتی متر، ولتاژ گیری کنید. اگر قطعهای از خازن یا هر قطعه دیگری باد کرده است، ابتدا آن قطعه را تعویض کنید و در قدم بعدی برد تغذیه را تست کنید. در این حالت با تعویض قطعه معیوب، دوباره برد تغذیه شروع به فعالیت میکند. اگر با تعویض قطعه تعمیر آیفون تصویری سوزوکی انجام نشد، ولتاژ برق ورودی به قطعات را بررسی کنید. در صورتی که مشکل از خازن است آن را تعویض کنید.
جمعبندی
سوزوکی از جمله برندهای مطرح در زمینه تولید قطعات الکتریکی و لوازم خانگی در جهان است. این برند ژاپنی در حوزه تولید تجهیزات امنیتی از جمله آیفون تصویری شهرت زیادی پیدا کرده و محبوبیت بالایی دارد. آیفون تصویری سوزوکی به دلیل عملکرد ساده و راحت خود توجه بیشتر افراد را به خود جلب کرده است. اما به همان اندازه نصب آیفون تصویری سوزوکی پیچیده و حساس است. از این رو توصیه میشود اگر تخصص کافی در برقکاری ندارید نصب این سیستم امنیتی را به افراد متخصص و حرفهای بسپارید.












با سلام
قبلا برای شرکت برای هر نصب دربازکن
شانتیونی برای نصاب ارسال میکرد
فک کنم دیگه اعمال نمیشه….
و یا ….؟؟؟!!!
جریان چیه ….؟
و یا حدلاقل جوایزی برای نصابان در نظر بگیره
اونم نیست …🤨🙏
بنده یکی از نصابان پروپا قرص دربازکنهای سوزوکی هستم
که تا الان نزدیک ۱۰ سال است که با این محصول آشنا شدم و نصب میکنم
موردی پیش نیومده و از نصب و راه اندازی دستگاه راضی هستم 🙏
سلام؛
معمولاً منظور از «شانتیون» این بوده که برای هر نصب، به نصاب مبلغ یا بسته تشویقی جداگانه پرداخت شود، اما در خیلی از شرکتها ممکن است با تغییر سیاست فروش/بازاریابی فعلاً قطع یا محدود شده باشد. اگر میفرمایید شما حدود ۱۰ سال سابقه و رضایت واقعی از عملکرد دربازکن سوزوکی دارید، بهترین کار این است که درخواست شفافیت را به واحد پشتیبانی/فروش همان نمایندگی یا شرکت سازنده ارسال کنید و مشخص کنید آیا برنامه تشویقی یا امتیاز جدیدی جایگزین شده یا خیر؛ چون از اینجا نمیشود وضعیت دقیق سیاستهای جاری را تأیید کرد.